主页导航
公司简介
产品展示
车间一角
视频中心
合作客户
新闻中心
联系我们
EN
首页导航
公司简介
产品展示
新闻动态
联系我们
地图导航
产品展示
当前位置:网站首页 > 产品展示
凯米克产品
KMK PRODUCT
产品分类目录
储罐
反应釜
聚氨酯反应釜
换热器
蒸发结晶设备
蒸馏萃取装置
耙式干燥机设备
废矿物油再生
实验室设备
专用工业装置
首页
/ 产品展示 /
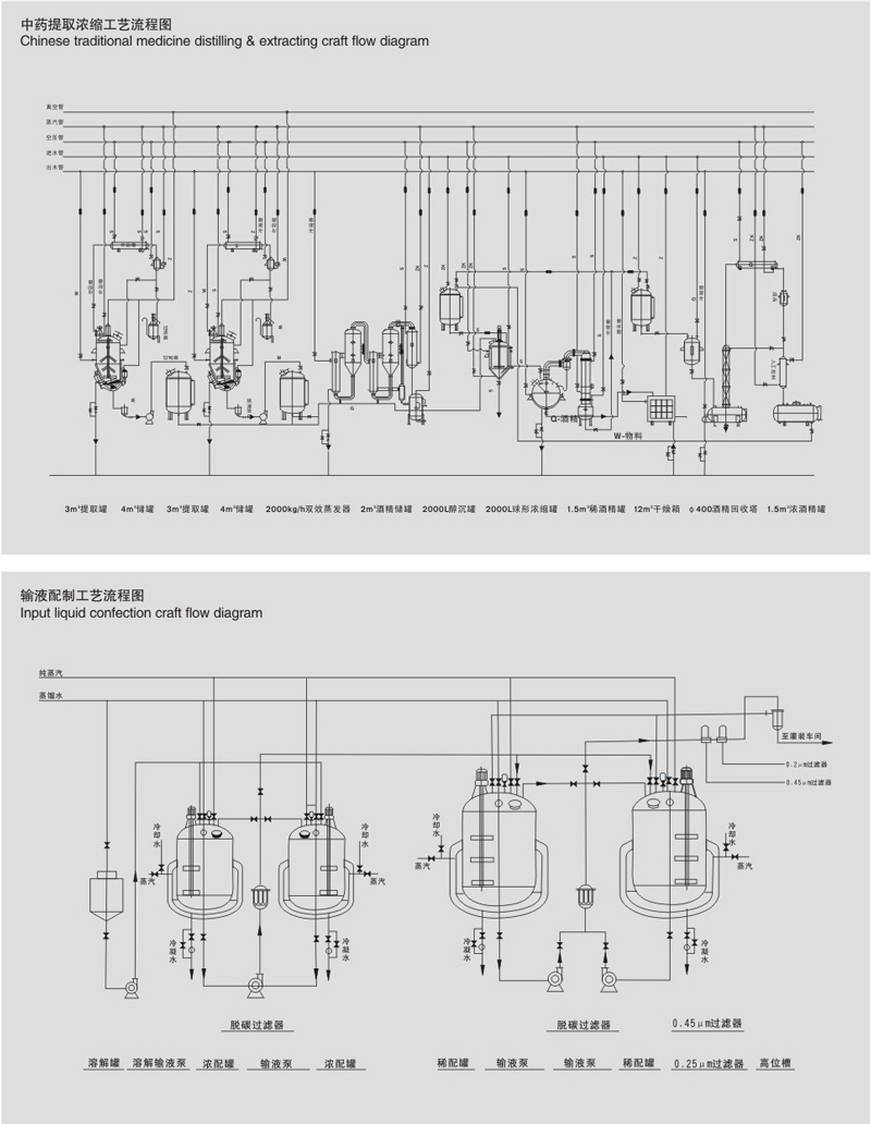
工艺流程图
产品详情
相关产品
换热器
不锈钢反应釜
钛材储罐
聚氨酯反应釜
给我们留言
姓名:
E-mail:
电话:
公司名称:
主题:
留言内容:
验证码:
上一个产品
回到首页